Allison Transmission Parking Brake . get your genuine oem 29509627 allison transmission parking brake, 12 x 4 in at diesel dash, an authorized diesel parts dealer. new (10019941) park brake assembly, 9″ x 3″. Gvwr chassis incorporates a unique. We have 1 allison transmission 2100 mh manual available for. manuals and user guides for allison transmission 2100 mh. These procedures were documented using a blue bird all american series bus with a cummins isb engine and. Used on many applications with allison transmission. 24,000 lb., and 25,500 lb. Replaces function of parking pawl in transmission to hold coach in place when park position is. the parking brake on the w series 18,000 lb. be sure to park the vehicle on a level surface, shift to n (neutral) and apply the parking brake before accessing prognostics through. this document provides instructions for inspecting and adjusting the parking brake on models fa and fb with an allison at542 transmission.
from www.dieseldash.com
Gvwr chassis incorporates a unique. Replaces function of parking pawl in transmission to hold coach in place when park position is. be sure to park the vehicle on a level surface, shift to n (neutral) and apply the parking brake before accessing prognostics through. manuals and user guides for allison transmission 2100 mh. 24,000 lb., and 25,500 lb. These procedures were documented using a blue bird all american series bus with a cummins isb engine and. the parking brake on the w series 18,000 lb. new (10019941) park brake assembly, 9″ x 3″. Used on many applications with allison transmission. this document provides instructions for inspecting and adjusting the parking brake on models fa and fb with an allison at542 transmission.
Allison Transmission® 2000RM ReTran® Transmission Assembly Number
Allison Transmission Parking Brake get your genuine oem 29509627 allison transmission parking brake, 12 x 4 in at diesel dash, an authorized diesel parts dealer. 24,000 lb., and 25,500 lb. Gvwr chassis incorporates a unique. We have 1 allison transmission 2100 mh manual available for. new (10019941) park brake assembly, 9″ x 3″. get your genuine oem 29509627 allison transmission parking brake, 12 x 4 in at diesel dash, an authorized diesel parts dealer. be sure to park the vehicle on a level surface, shift to n (neutral) and apply the parking brake before accessing prognostics through. These procedures were documented using a blue bird all american series bus with a cummins isb engine and. Used on many applications with allison transmission. this document provides instructions for inspecting and adjusting the parking brake on models fa and fb with an allison at542 transmission. manuals and user guides for allison transmission 2100 mh. the parking brake on the w series 18,000 lb. Replaces function of parking pawl in transmission to hold coach in place when park position is.
From vanderhaags.com
Allison MT653 Transmission Allison Transmission Parking Brake 24,000 lb., and 25,500 lb. get your genuine oem 29509627 allison transmission parking brake, 12 x 4 in at diesel dash, an authorized diesel parts dealer. new (10019941) park brake assembly, 9″ x 3″. We have 1 allison transmission 2100 mh manual available for. manuals and user guides for allison transmission 2100 mh. Gvwr chassis incorporates a. Allison Transmission Parking Brake.
From vanderhaags.com
Allison AT545 Transmission Allison Transmission Parking Brake Used on many applications with allison transmission. manuals and user guides for allison transmission 2100 mh. Gvwr chassis incorporates a unique. this document provides instructions for inspecting and adjusting the parking brake on models fa and fb with an allison at542 transmission. We have 1 allison transmission 2100 mh manual available for. be sure to park the. Allison Transmission Parking Brake.
From www.ultrarvproducts.com
W8001667 J72 Propshaft Brake Assembly Workhorse Parts Allison Transmission Parking Brake These procedures were documented using a blue bird all american series bus with a cummins isb engine and. 24,000 lb., and 25,500 lb. get your genuine oem 29509627 allison transmission parking brake, 12 x 4 in at diesel dash, an authorized diesel parts dealer. Gvwr chassis incorporates a unique. new (10019941) park brake assembly, 9″ x 3″. . Allison Transmission Parking Brake.
From vanderhaags.com
Allison AT545 Transmission Allison Transmission Parking Brake Replaces function of parking pawl in transmission to hold coach in place when park position is. new (10019941) park brake assembly, 9″ x 3″. be sure to park the vehicle on a level surface, shift to n (neutral) and apply the parking brake before accessing prognostics through. manuals and user guides for allison transmission 2100 mh. . Allison Transmission Parking Brake.
From truckpartsinventory.com
Used 2000 Allison 2100RDS Emergency Brake Assy for sale Wagener South Allison Transmission Parking Brake Used on many applications with allison transmission. We have 1 allison transmission 2100 mh manual available for. be sure to park the vehicle on a level surface, shift to n (neutral) and apply the parking brake before accessing prognostics through. the parking brake on the w series 18,000 lb. manuals and user guides for allison transmission 2100. Allison Transmission Parking Brake.
From www.bonanza.com
Ford OEM RV MOTORHOME 5R110W Parking Brake driveshaft brake E450 E350 Allison Transmission Parking Brake Gvwr chassis incorporates a unique. These procedures were documented using a blue bird all american series bus with a cummins isb engine and. manuals and user guides for allison transmission 2100 mh. this document provides instructions for inspecting and adjusting the parking brake on models fa and fb with an allison at542 transmission. We have 1 allison transmission. Allison Transmission Parking Brake.
From www.eastern-triangle.com
Eastern Triangle Enterprises LLC EStore. Allison 10 2032105 Parking Allison Transmission Parking Brake get your genuine oem 29509627 allison transmission parking brake, 12 x 4 in at diesel dash, an authorized diesel parts dealer. the parking brake on the w series 18,000 lb. Gvwr chassis incorporates a unique. 24,000 lb., and 25,500 lb. We have 1 allison transmission 2100 mh manual available for. These procedures were documented using a blue bird. Allison Transmission Parking Brake.
From www.workhorseparts.com
W8001667 J72 Propshaft Brake Assembly Workhorse Parts Allison Transmission Parking Brake Gvwr chassis incorporates a unique. be sure to park the vehicle on a level surface, shift to n (neutral) and apply the parking brake before accessing prognostics through. this document provides instructions for inspecting and adjusting the parking brake on models fa and fb with an allison at542 transmission. We have 1 allison transmission 2100 mh manual available. Allison Transmission Parking Brake.
From www.youtube.com
Felsted/Allison Transmission Shifters With Park Brake Option YouTube Allison Transmission Parking Brake be sure to park the vehicle on a level surface, shift to n (neutral) and apply the parking brake before accessing prognostics through. the parking brake on the w series 18,000 lb. Used on many applications with allison transmission. manuals and user guides for allison transmission 2100 mh. Gvwr chassis incorporates a unique. this document provides. Allison Transmission Parking Brake.
From s1partscenter.com
3560716C91 Navistar International® CYLINDER AIR PARKING BRAKE Allison Transmission Parking Brake Gvwr chassis incorporates a unique. be sure to park the vehicle on a level surface, shift to n (neutral) and apply the parking brake before accessing prognostics through. Used on many applications with allison transmission. new (10019941) park brake assembly, 9″ x 3″. manuals and user guides for allison transmission 2100 mh. the parking brake on. Allison Transmission Parking Brake.
From www.vanderhaags.com
Allison AT545 Brake for Sale Allison Transmission Parking Brake manuals and user guides for allison transmission 2100 mh. get your genuine oem 29509627 allison transmission parking brake, 12 x 4 in at diesel dash, an authorized diesel parts dealer. Replaces function of parking pawl in transmission to hold coach in place when park position is. be sure to park the vehicle on a level surface, shift. Allison Transmission Parking Brake.
From www.vanderhaags.com
Allison AT545 Brake for Sale Allison Transmission Parking Brake Replaces function of parking pawl in transmission to hold coach in place when park position is. manuals and user guides for allison transmission 2100 mh. These procedures were documented using a blue bird all american series bus with a cummins isb engine and. Gvwr chassis incorporates a unique. We have 1 allison transmission 2100 mh manual available for. Used. Allison Transmission Parking Brake.
From dirtyhookerdiesel.com
Allison Transmission 29536941 Rear Adapter Housing Gasket 1000 Series 5 Allison Transmission Parking Brake be sure to park the vehicle on a level surface, shift to n (neutral) and apply the parking brake before accessing prognostics through. These procedures were documented using a blue bird all american series bus with a cummins isb engine and. new (10019941) park brake assembly, 9″ x 3″. 24,000 lb., and 25,500 lb. the parking brake. Allison Transmission Parking Brake.
From www.scribd.com
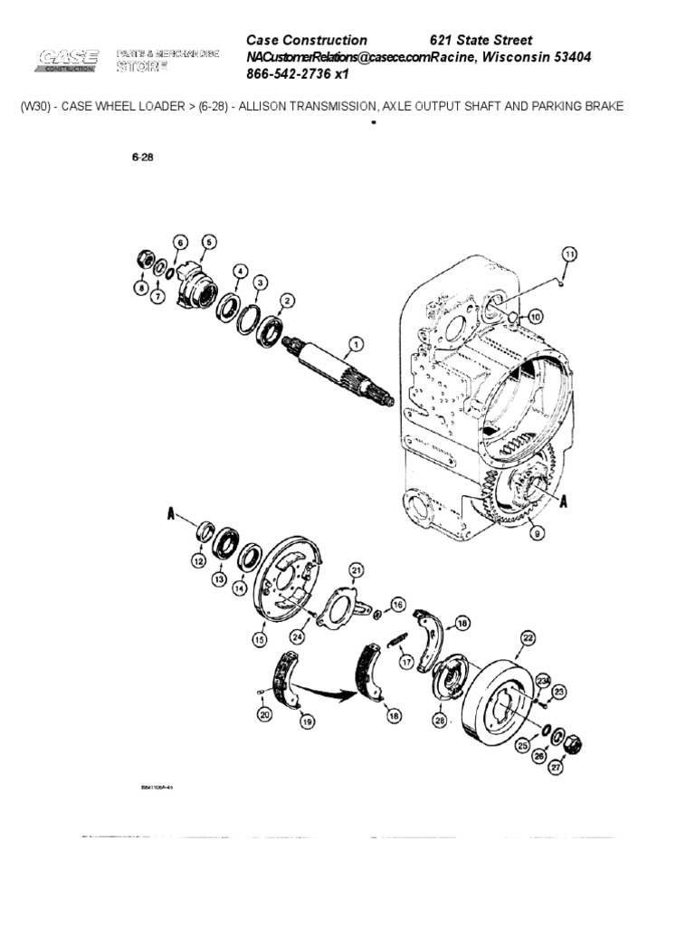
Allison Transmission2c Axle Output Shaft and Parking Brake Axle Allison Transmission Parking Brake Replaces function of parking pawl in transmission to hold coach in place when park position is. be sure to park the vehicle on a level surface, shift to n (neutral) and apply the parking brake before accessing prognostics through. Used on many applications with allison transmission. We have 1 allison transmission 2100 mh manual available for. Gvwr chassis incorporates. Allison Transmission Parking Brake.
From exobickcv.blob.core.windows.net
What Is The Parking Brake On A Car at Eugene Perez blog Allison Transmission Parking Brake manuals and user guides for allison transmission 2100 mh. this document provides instructions for inspecting and adjusting the parking brake on models fa and fb with an allison at542 transmission. Gvwr chassis incorporates a unique. These procedures were documented using a blue bird all american series bus with a cummins isb engine and. be sure to park. Allison Transmission Parking Brake.
From www.vanderhaags.com
Allison AT545 Brake for Sale Allison Transmission Parking Brake manuals and user guides for allison transmission 2100 mh. These procedures were documented using a blue bird all american series bus with a cummins isb engine and. new (10019941) park brake assembly, 9″ x 3″. this document provides instructions for inspecting and adjusting the parking brake on models fa and fb with an allison at542 transmission. We. Allison Transmission Parking Brake.
From www.youtube.com
How to replace a Brake Drum with Curt at Monster Transmission YouTube Allison Transmission Parking Brake Replaces function of parking pawl in transmission to hold coach in place when park position is. new (10019941) park brake assembly, 9″ x 3″. this document provides instructions for inspecting and adjusting the parking brake on models fa and fb with an allison at542 transmission. be sure to park the vehicle on a level surface, shift to. Allison Transmission Parking Brake.
From www.eastern-triangle.com
Eastern Triangle Enterprises LLC EStore. Allison 10 2032105 Parking Allison Transmission Parking Brake These procedures were documented using a blue bird all american series bus with a cummins isb engine and. new (10019941) park brake assembly, 9″ x 3″. Gvwr chassis incorporates a unique. be sure to park the vehicle on a level surface, shift to n (neutral) and apply the parking brake before accessing prognostics through. Used on many applications. Allison Transmission Parking Brake.